HE21S アルトラパン 全世代対応 サービスマニュアル CDタイプ 配線図 HE21S アルトラパン 全世代対応 サービスマニュアル CDタイプ 配線図
(4125件)
Pontaパス特典
サンキュー配送
9280円(税込)
93ポイント(1%)
Pontaパス会員ならさらに+1%ポイント還元!
送料
(
)
4122
配送情報
お届け予定日:2026.04.27 19:7までにお届け
※一部地域・離島につきましては、表示のお届け予定日期間内にお届けできない場合があります。
ロットナンバー
27014203172
お買い物の前にチェック!
Pontaパス会員なら
ポイント+1%
ポイント+1%
商品説明






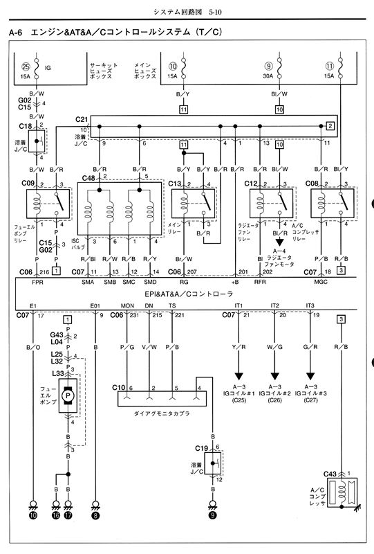
2019年更新情報が反映されている最新版です。\rHE21Sの1~6型まで全年代、全仕様に対応する車両概要書、整備マニュアル、配線図、各種追補資料等が記録されています。\r現在ディーラーで購入すると35200円する品となります。\r\rディスクはCDです。\r各種マニュアルはPDF形式です。\rPDFを開いて各種項目をクリックすると目的のページにジャンプできるので機能性も高いです。\r\rラパンSS\rラパンモード\rラパンターボ\rMターボ\r等全仕様が同封されています。\r\r本品は新品未使用ですがディスクの読み込みに問題が無いかチェックしてから発送いたします。\rまた、梱包直前に商品状態に異常がないか写真撮影の上で発送いたします。\rつきましては読み込みができない、破損がある、偽物の疑いがある等の如何なる理由におかれましても返金は不可といたします。\rデータのみ抽出して返金を迫る行為には厳正な対処を実施しておりますので十分ご注意くださいませ。
| カテゴリー: | 車・バイク・自転車>>>メンテナンス>>>その他 |
|---|---|
| 商品の状態: | 新品、未使用","新品で購入し、一度も使用していない |
| ブランド: | Suzuki |
| 配送料の負担: | 送料込み(出品者負担) |
| 配送の方法: | レターパック |
| 発送元の地域: | 未定 |
| 発送までの日数: | 2~3日で発送 |
レビュー
商品の評価:




4.4点(4125件)
- yy0311
- ローラースタンドの便利さは想像通りでした。 遅乾製のチェーンクリーナーはその名の通り、クリーナーの乾燥を気にする事無く丁寧な作業をすることが出来ました。
- mami_leo
- 直ぐ到着し助かった。作りがしっかりしていて良い。しいて言えば、エアー抜きコックを蝶ネジにしてほしい。
- あいちゃん07○
- 早速、使ってみました。確かに便利です。動かすのが楽になりました。 意見として言うなら、バイクスタンドの踏み込みがキャスター部分にあたり、立てる位置決める必要があります。後、もう少し大きいキャスターの方が楽だと思いました。
- NANAMI0520
- まだ、この商品使ってないですけど見た目作りはしっりしてます
- seonma
- 家の玄関の中に入れています。そこでスタンドでは不安定な為スタンドを購入しました。安定性があり重宝していますが、グリップ部分がきつくてねじカバーが一緒に外れてきます。
- PLまこ
- 車種はGSX−R125で使用しています。 満足なんですが、不満なところがあります。 使用後降ろす際に取っ手の部分がテールレンズ付近に当たります。 車種のサイズにもよりますが注意が必要です。
- スーパートライ4039
- 2003ファットボーイに使用しましたが 軽々持ち上がり 使用に問題無しでした。 天板のゴムは薄いので 他で厚めのゴムを 付けた方が良いかも…。
- bibi0211
- スカイウェイブ250用に購入しました。組立て時間はおおよそ90分、車庫で一回転するのには多少力が必要ですが、2センチ程度の段差にも問題なく動かす事が出来た。 同梱のネジに一点不良品が入っていたのが残念。
- bohemian55
- 重量がありますが、そのぶん丈夫そうです。 80mmアタッチメントを使いCB400SBのフロントを上げましたが、エキパイにも干渉せず、良好です。CRM250はアタッチメントなしでゴムマットを敷き前後アップしました。 ゴムマットがついていれば尚良いです。
- まますん6512
- 作りは少し雑ですがあとは耐久性が問題ですが
すべて見る
お店の情報
7,367
連絡・応対
4.3
配送スピード
4.3
梱包
4.3










