HKS EVC ブーストコントローラー 配線付 説明書付き EVC-S | モニター系 | エレクトロニクス/ELECTRONICS | 製品情報 | HKS
(4075件)
Pontaパス特典
サンキュー配送
7540円(税込)
76ポイント(1%)
Pontaパス会員ならさらに+1%ポイント還元!
送料
(
)
4062
配送情報
お届け予定日:2026.05.01 15:27までにお届け
※一部地域・離島につきましては、表示のお届け予定日期間内にお届けできない場合があります。
ロットナンバー
2701446003
お買い物の前にチェック!
Pontaパス会員なら
ポイント+1%
ポイント+1%
商品説明








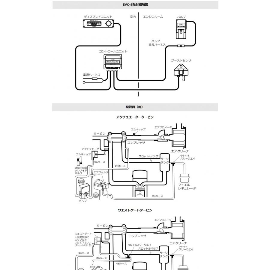
HKSのEVC Ⅳになります使用期間は4ヶ月くらいです。仕様変更のため外しました。Highブースト使用はほぼしておりません一応中古という事なのでジャンク品とさせていただきます。配線、ソレノイドバルブ、ホース、説明書一式揃っております中古品のため3nでお願いします
| カテゴリー: | 車・バイク・自転車>>>エンジン・過給器>>>エンジン部品 |
|---|---|
| 商品の状態: | やや傷や汚れあり","目につく傷や汚れがある |
| ブランド: | HKS |
| 配送料の負担: | 送料込み(出品者負担) |
| 配送の方法: | 佐川急便/日本郵便 |
| 発送元の地域: | 未定 |
| 発送までの日数: | 2~3日で発送 |
レビュー
商品の評価:




4.4点(4075件)
- わにゃこ★
- パッキンゴムは少し硬めに感じました。 凹凸が大きいので液体ガスケットを併用しました。
- くまもん2
- アトレー用で売られてますが大野ゴムに問い合わせたらL700Sミラジーノにも適合するとの事で大変助かりました。 スーパープラグOリングからオイル漏れで悲惨な状況でしたがオイル漏れも完璧に止まり満足しました。 但し、古いOリングの取り外しと新しいOリングの取り付けには職人技(タペットカバー裏側のプレートホールの加工)が必要ですので要注意です。
- ジムニー野郎
- 交換前だだ漏れだったので不安だったのですが、交換して漏れはなく1ヶ月経過しました。この価格でオイル漏れが修繕できるのにディーラーに出すと4〜5万の見積でビックリです。
- まっきりん2918
- 全然馴染まない やり方がわるいのかな? タイミングチェーンとは反対側のヤツがどうしてもはみ出してくる プロに任せれば良かった。
- fura_msyu0077
- 注文後翌々日には到着致しました。 商品に何も問題なく有難うございます。
すべて見る
お店の情報
7,367
連絡・応対
4.3
配送スピード
4.3
梱包
4.3










